Looking for Plagiarism-Free Answers for Your US, UK, Singapore, New Zealand, and Ireland College/University Assignments?
Talk to an Expert| Category | Assignment | Subject | Engineering |
|---|---|---|---|
| University | Module Title | ENG777 Mechanical Engineering System Modelling & Simulation |
Heat transfer enhancement is the process of improving the performance of a heat transfer system by increasing the heat transfer coefficient. Heat transfer enhancement technology has been developed and widely applied to heat exchanger applications; for example, refrigeration, automotive, process industry, chemical industry etc. Many attempts have been made to reduce the size and costs of the heat exchangers. An increase in heat transfer coefficient generally leads to another advantage of reducing the temperature driving force, which increases the second law efficiency, and decreases entropy generation. Among many techniques (both passive and active) investigated for augmentation of heat transfer rates inside circular tubes, tube fitted with full length twisted tape inserts
(also called as swirl flow device) or having spiral grooves have been shown to be very effective in enhancing the heat transfer. A great deal of experimental works on heat transfer augmentation studies using twisted tape have been reported in the literature.
The aim of this assignment is to model fluid flow and heat transfer augmentation for a circular tube having a regularly spaced spiral groove using CFD, which enable us to find out Nusselt number, friction factor for the given flow rates and the best ratio of the spiral groove depth to its pitch.
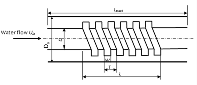
As shown in Figure 1, hot water flows through a spiral grooved circular pipe, made of structural steel, with the internal diameter D, the length of spiral groove part; L and the pitch T. The depth and width of the spiral groove are the same and designated as W. When hot water flows through the spiral groove circular tube, the flow inside the tube will be significantly affected by the spiral grooves. It can be anticipated that the hydrodynamics and heat transfer behaviour in the tube will be influenced due to the flow perturbation caused the spiral grooves. The spiral grooves will promote and generate turbulence in the vicinity of the tube internal surface, resulting in an enhancement of heat transfer and a larger pressure drop.
Figure 1 : Hot water flows through a spiral groove circular pipe

For estimation of the pressure drop for flow through the spiral groove circular tube, the tube can be approximated as a long circular pipe. The friction coefficient f (also referred to as the Darci friction factor) can be calculated based on the Darci-Weisbach equation (Eq.1):
(Eq.1)
where D is the tube diameter, r is the density and L is the tube length. Dp represents the pressure drop along the tube and Uin is the mean velocity at the inlet. When water flows through a smooth circular pipe with ReD < 105, the friction coefficient can be estimated using the Blasius equation (Eq.2):
(Eq.2)
For heat transfer, the following empirical correlations can be used for estimation of the Nusselt number (for smooth tube Eq.3 Dittus-Bolter equation).
Smooth Tube:
(Eq.3)
where Nu is the Nusselt number, defined as:
(Eq.4)
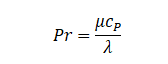
and Pr is referred to as Pranlt number, defined as:

where a is the heat transfer coefficient, m is the fluid dynamic viscosity and l is the thermal conductivity of the fluid. Thus, we can assess the flow resistance characteristics and heat transfer behaviour of the spiral groove circular tube by comparing the results using the above formulae.
The following conditions are given:
The spiral groove circular tube outer diameter DO= 36 mm
The spiral groove circular tube internal diameter D = 20 mm
The total length of the tube L total = 400 mm
The length of the spiral grooves L = 200 mm
The depth and width of the spiral groove W = 4 mm
The spiral groove pitch T = 10 mm
The temperature of the hot water at the inlet of the tube Tin = 100 °C.
Young’s Modulus E = 205 GPa
Tensile Yield Stress s = 370 MPa
Poisson’s Ratio u = 0.3
Reference Temperature Tref = 22 °C
Thermal conductivity l = 16.27 W/(mK)
NOTE: Software Restrictions as the CFD modelling will be conducted using the ANSYS student version (for those who are undertaking this module online), there are some limitations. The maximum number of elements are 512K cells/nodes for a CFD model & 29k for FEA model.
Note: This Assignment incorporates an FSI interaction between ANSYS Fluent, ANSYS Steady State Thermal & ANSYS Steady State Structural, therefore Step 1must be completed prior to FSI on Step 2.
1. Conduct a numerical validation case using the smooth tube against theoretical values for Nusselt Number and Friction Factor
a. Select a range of Reynolds numbers (4000 – 10000) to calculate theoretical values for Nusselt Number and Friction Factor for a smooth tube.
b. Generate a 3D numerical model of the smooth tube using the software package ANSYS, ensuring the mesh, boundary conditions & solver are adequate for determined turbulence modelling.
c. Conduct a turbulence dependency study to ensure the correct turbulence model and appropriate wall functions are utilised for all future simulations.
d. Determine the Nusselt Number and Friction Factor from ANSYS simulations and compare with theoretical values. Discuss your findings and ensure all appropriate measures are considered before moving forward.
2. Conduct a parametric study of the grooved tube and compare against the smooth tube.
a. Generate a 3D numerical model of the grooved tube using dimensions provided, ensure the start and end of the grove tube have smooth transitions to the smooth tube surface.
b. Conduct a self-chosen parametric study of the grooved tube and compare results with smooth tube. This should include CFD post images along with any supporting graphs and tables for comparison. For example, the parametric study can be to numerically investigate, groove design, pitch, hight & width of grove, or tube material. (The selection of the parametric study will determine your title)
c. Critically discuss your findings from the CFD parametric study.
1. Conduct a thermal analysis to determine temperature distribution in tube material.
a. Generate a 3D numerical model of the grooved tube from the parametric study, ensuring the mesh and boundary conditions are adequate for thermal modelling.
b. Conduct FSI modelling using the temperature distribution from CFD simulations as internal boundary conditions for a steady state thermal analysis to determine the temperature distribution in the tube material. The outside of the tube is subjected to convection with a heat transfer co-efficient of = 5 W/(m2K).
c. Present and critically discuss your findings for the steady state thermal analyses.
2. Conduct a structural analysis to evaluate material deformation and stress distribution.
a. Generate a 3D numerical model of the grooved tube from the parametric study, ensuring the mesh and boundary conditions are adequate for FEA modelling.
b. Conduct FSI modelling using the determined temperature distribution from thermal modelling and internal pressure forces from fluid modelling as respective boundary conditions, to evaluate the material deformation and stress distribution.
c. Present and critically discuss your findings for the static structural analyses.
Looking for expert Mechanical Engineering Assignment help for your ENG777 course on Mechanical Engineering System Modelling & Simulation? Our team of experienced writers specializes in complex topics like hot water flow through spiral groove circular pipes and other critical areas in the subject. Our assignment writers offer high-quality online assignment help with human-made work and focus on timely delivering with the best academic results for UK students. Whether you need help with assignments or a complete dissertation writing service, we will help you in your every problem. Get free samples to explore our work and trust our expert writers, who have years of experience in delivering solutions for all engineering subjects. Pay for expert help today and ensure top grades in your coursework!
Hire Assignment Helper Today!
Let's Book Your Work with Our Expert and Get High-Quality Content