Looking for Plagiarism-Free Answers for Your US, UK, Singapore, New Zealand, and Ireland College/University Assignments?
Talk to an Expert| Category | Assignment | Subject | Angineering |
|---|---|---|---|
| University | Swansea University | Module Title | EGLM02 Advanced Power Electronics and Drives |
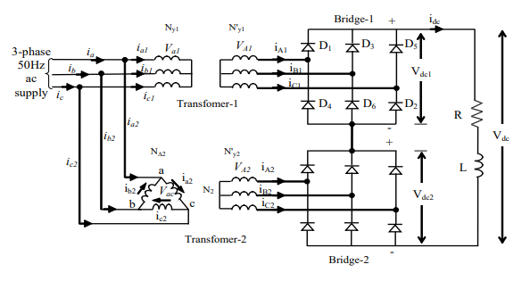
Figure 1 shows a 12 pulse AC/DC converter fed from 3‐phase 400V, 50Hz supply. A level constant DC of 100A is flowing through the load. If the transform‐1 has a turn ratio of NY1/NY2=1:1 and the output voltage Vdc1 and Vdc2 are equal. Build a simulation circuit using MATLAB/SIMULINK/POWER SYSTEM TOOLBOX and carry out the circuit simulation. The report should include the following simulation results and comments:
A: Present the simulation circuit using MATLAB/SIMULINK/POWER SYSTEM TOOLBOX as well as the main parameters.
B:
(1) Presents the voltage waveforms of Vdc1 and Vdc2 and Vdc, measure the ripple voltage and frequency of the three DC voltages. Comment on the waveforms and measured results.
(2) Present the waveforms of the current ia1 ia2 and ia and measure the THD values of the three currents. Comment on the waveforms and measured results.
(3) Measure the input power factor of the 12 pulse converter as well as the input power factor of Bridge-1, comment on the difference of the measured results.
(4) Present the FFT spectrum of the currents ia, ia1 and ia2 and comment on difference of the spectrums for the three currents.

Figure-1
A single-phase voltage source inverter (VSI) is connected to a 240V/50Hz utility system, as shown in Figure 2.
Build the simulation circuit of the DC/AC converter using MATLAB/SIMULINK/POWER SYSTEM TOOLBOX for the inverter to output 10A current (RMS) in phase with the grid voltage; Assume bipolar PWM scheme applied to the inverter and the Total harmonic distortion (THD) needs to be less than 5%.
A: Present the inverter simulation circuit using MATLAB/SIMULINK/POWER SYSTEM TOOLBOX and and main parameters as well as brief circuit description (Inverter power circuit, control circuit and and PWM generation circuit).
B:
1. Specify a suitable PWM switching frequency, a line inductance L and a DC link voltage for the inverter. Comment on the specifications. What is the minimum dc-link voltage required for the inverter to grid connection requirment?
2. Explain how the PWM signals are generated.
3. Present the output current and voltage waveforms. Comments on the effects of the switching frequency and the inductor on the ripple (THD) of the output current.
4. How to achieve 6 A (RMS) output current with a leading output power factor of 0.866 for the inverter? Present the output current and voltage waveforms.
5. Assume ±10% variation for the grid voltage, what is the minimum DC link voltage required for the grid connection?

Figure-2

Figure-3
Hire Assignment Helper Today!
Let's Book Your Work with Our Expert and Get High-Quality Content