Looking for Plagiarism-Free Answers for Your US, UK, Singapore, New Zealand, and Ireland College/University Assignments?
Talk to an Expert| Category | Assignment | Subject | Education |
|---|---|---|---|
| University | Business and Technology Education Council | Module Title | Communications for Engineering Technicians |
| Word Count | 1000 Words |
|---|
(Learner to fill in all parts highlighted in yellow)
| Programme Title: | BTEC Level 3 in Engineering (AME):
(Development Technical Knowledge) FD/Award/Certificate/Diploma |
Programme No: | DLGV2,CYLG1, CGSM3/4/5, DCJM6/7/8/9, DKRT9, DWWL3/4/5/6 |
| Unit Number and Title: | UNIT 2: Communications for Engineering Technicians | ||
| Coursework Title: | A1 – Interpreting engineering diagrams and using communication skills | Assessment Number: | U2A1 |
| Date issued | Final deadline | 3 weeks | |
| Student Name | Assessor | V Campbell | |
| Task No | Assessment criteria covered | Date Achieved | Feedback | ||
| 1st
Attempt |
2nd Attempt* | Comment
Attached? |
|||
| Grading criteria: P1, P2, P3, P4, P5, M1, D1 | |||||
| 1 | Pass – P1 interpret an engineering drawing/circuit/network diagram | ||||
| 2 | Pass – P2 produce an engineering sketch/circuit/network diagram | ||||
| 2 | Pass – P3 use appropriate standards, symbols and conventions in an engineering sketch/circuit/ network diagram | ||||
| 3 | Pass – P4 communicate information effectively in written work | ||||
| 3 | Pass – P5 communicate information effectively using verbal methods | ||||
| 4 | Merit – M1: evaluate a written communication method and identify ways in which it could be improved | ||||
| 5 | Distinction – D1: Justify the choice of a specific communication method and the reasons for not using a possible alternative | ||||
Evidence you must produce for this assignment:
Written report in sections.
Sources of information: Unit A2 course notes sections 1 to 2 and materials / associated websites and links embedded within learning materials.
Scenario: You have been employed as a trainee engineer within an engineering organisation. You are assisting in the development of specific instructional training materials that will be used for the introduction of new technical personnel within the organisation. The tasks below shall form part of the training and are referred to as tasks 1 to 5 below.
*Re-submission Conditions: Only one opportunity to resubmit work will be allowed for each task. All three of the conditions below must be met if this is to be allowed: These are:
A resubmission date will be set for 15 working days after the assessment has been returned to you.
| Coursework
Internal Verifier: Sign |
(W Watson) | 02/10/2025_Reva |
1. Learner to fill in on first submission:
| Task ref(s) | Evidence submitted
(e.g., written report, calculation, file name). |
Task ref(s) | Evidence submitted
(e.g., written report, calculation, file name). |
||
| Additional learner comments to the assessor: | |||||
| Learner Declaration on Submission
I certify that the evidence submitted for this assignment is my own. I have clearly referenced any sources used in the work. I understand that a false declaration is a form of malpractice. |
Learner Signature. (not typed) | Date | |||
2. Assessor to fill in on first submission:
| Task ref(s) | Assessor comments on task(s) | Task ref(s) | Assessor comment on task(s) | |||
|
General feedback from the Assessor: *Task 3e) will be completed by tutor observation during your Microsoft Teams Authentication call that you are required to make (see MOODLE Learner Support page for days/times) after completion of assessments 1 and 2 for this full unit. Not required until assessment 2 has been completed. |
||||||
| Has an extension to the deadline been approved by the Assessor due to extenuating circumstances? | ||||||
| Assessor Declaration on Submission
I certify that the evidence submitted for this assignment is the learner’s own. If it is not their own work, then this is clearly explained and detailed in the feedback and comments above. |
Assessor Signature | Date | ||||
3. Learner to fill in on resubmission:
| Task ref(s) | Evidence submitted
(e.g., written report, calculation, file name). |
Task ref(s) | Evidence submitted
(e.g. written report, calculation, file name). |
||
| Additional learner comments to the assessor: | |||||
| Learner Declaration on resubmission
I certify that the evidence submitted for this assignment is my own. I have clearly referenced any sources used in the work. I understand that a false declaration is a form of malpractice. |
Learner Signature. | Date. | |||
|
|
|||||
4. Assessor to fill in on resubmission:
| Task ref(s) | Assessor comments on task(s) | Task ref(s) | Assessor comments on task(s) | ||||
| Resubmission feedback from the Assessor: | Date of feedback | ||||||
| Does the learner need to attempt an assessment Retake? Y/N | Date of Retake: | ||||||
| Assessor Declaration on Submission
I certify that the evidence submitted for this assignment is the learner’s own. If it is not their own work, then this is clearly explained and detailed in the feedback and comments above |
Assessor Signature. | Date. | |||||
| Sample Type:
(First or resubmission) |
Samples IV Signature: | Date: |
(For Criteria P1)
(a) Interpret the 7 pieces of information highlighted on the Jig Body drawing below, explaining each fully.

(b) The pie chart below shows the % breakdown for Grange Engineering Ltd’s 2019 turnover of £1.2M. Showing your working, clearly determine the amount in £s spent on Raw Materials.

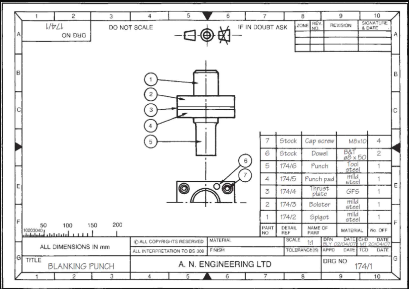
(c) From the blanking punch drawing below, list the following:

You may use notes provided online through the TECOL website and other textbooks and online resources where applicable.
Checklist of evidence required:
(For Criteria P2 and P3)
Produce an engineering sketch for one of the following: (a), (b), or (c):
NOTE: You are NOT permitted to utilise a sketch or circuit image produced by someone else, and hence you must PRODUCE this yourself. If using software to produce a circuit for b) or c), then please ensure that you provide details of any software that you have used and an image of your full screen using the software.
(a) A 3D sketch of the Jig Body from Task 1 (use a pencil and blank paper to help you)
(b) A pneumatic circuit diagram sketch comprising at least 5 different components using the appropriate standards, symbols, and conventions.
It may include, eg, Reservoir, Filter, Actuator, Control Valve, and Shuttle Valve.
You must clearly label each of the components in your sketch.
(c) Sketch an electrical/electronic circuit diagram at least 5 different components using the appropriate standards, symbols, and conventions.
It may include, eg, Battery / Cell (whichever is appropriate); Resistor or Variable Resistor; Switch; Ground; Voltmeter; Ammeter; Suitable outputs of your choice.
This could be an automotive circuit or any electrical/electronic circuit.
You must clearly label each of the components in your sketch.
You may use notes provided online through the TECOL website and other textbooks and online resources where applicable.
Checklist of evidence required: Show clear engineering sketches of each component/diagram as requested, with suitable labelling using appropriate standards, symbols, and conventions.
(For Criteria P4)
(a) View and listen to the presentation on the use of equipment here (How To Use An Angle Grinder – Ace Hardware – YouTube). Take brief notes on the content and produce a basic instructional flow diagram on how to use the piece of equipment safely.
(A single A4 page displaying appropriate notes and a suitable flow diagram will be sufficient.)
(b) As an engineer, produce a short professional email that could be shared with your installation team, highlighting the importance and content of 3(a).
Insert an image of your email content (100 words should be sufficient).
(c) Considering your personal work schedule for the coming week, complete a logbook (see below at the end of tasks for a template). This could detail employment and study work for your course that you wish to log for the week coming.
(d) For the pie chart shown in task 1b), review the information provided in the chart and display this information using 2 different types of graphical presentation techniques (eg, bar chart, line graph, etc).
(For Criteria P5)
You are required to demonstrate appropriate speaking and listening skills during a Microsoft Teams video authentication call for this unit. This must be completed after you have submitted both assessments 1 and 2 for this unit, and you should check the MOODLE Learner Support page for the current available days/times for the ‘Authentication Call’. You will be required to answer questions, and a record shall be made as evidence for criterion P5.
Checklist of evidence required:
(a) Creation of notes from the YouTube video. Can be formalised in a Word document or pictures taken of informal notes and inserted into the Word document.
(b) Screenshot of completed email.
(c) Clearly laid out calculations
(d) Create 2 x different graphs based on the data in the pie chart
(e) Prepare and attend the Microsoft Teams call as requested above.
(For Criteria M1)
The guide below communicates information to readers through words and images. The focus here is on how to improve the communication of information, not on improving the content of the flyer itself.
The first part of the task is asking you to evaluate the existing flyer, i.e. consider both the pros and cons of the flyer as it currently is in terms of how well it communicates information.
The second part is asking you to suggest ways to improve the communication of information (not the content).
Examine the user guide for the computer wireless mouse product below. Evaluate the communication methods used here and clearly identify 3 different ways in which the communication methods could be improved, justifying your reasons for each.

Max 300 words.
You may use notes provided online through the TECOL website and other textbooks and online resources where applicable.
Checklist of evidence required: Show clearly justified ways to improve the written communication for the product.
(For Criteria D1)
As a Production Supervisor working in a manufacturing plant, you’ve recently been given the responsibility of implementing new workplace health and safety measures. These include making sure employees are following safe working practices around machinery and tools
You need to communicate these changes clearly to everyone on your team — including full-time staff, temporary workers, and people working on different shifts. Your communication must be clear and effective so that everyone understands and follows the rules.
(i) Choose a specific communication method (or methods) detailing specifically what the employees should be doing to successfully follow the safe working practices and to ensure that all your colleagues adhere to the guidelines AND explain in detail how you would ensure that your communication method was effective.
(ii) Suggest possible alternative methods of communication that you also could have used, but justify in detail why your chosen method/s are more suitable in this instance.
Max 500 words.
You may use notes provided online through the TECOL website and other textbooks and online resources where applicable.
Checklist of evidence required: Clearly explain the communication methods proposed, justifying why alternatives are not used.
Logbook to use for Task 3
| Day No/
Date |
Logbook of work to be completed | |
|
Saturday
|
||
|
Sunday
|
||
ANSWERS HERE:
Note:
You can either type out the answers in to this MS Word file.
Make sure your tasks are all clearly labelled as the tasks above.
Struggle With BTEC Level 3 UNIT 2 assignments and feeling stressed?
Order Non-Plagiarized AssignmentNeed last-minute help with your Communications for Engineering Technicians Assignment? We are here for assignment help! From Business Management to technical subjects, we’ve got you covered. Explore our free assignment samples and experience the quality for yourself. Contact us now to get expert help and score better—without any stress!
Hire Assignment Helper Today!
Let's Book Your Work with Our Expert and Get High-Quality Content