Looking for Plagiarism-Free Answers for Your US, UK, Singapore, New Zealand, and Ireland College/University Assignments?
Talk to an Expert| Category | Coursework | Subject | Engineering |
|---|---|---|---|
| University | University of Nottingham (UON) | Module Title | EEEE3083 Power Electronic Aplications and Control |
| MODULE CODE | MODULE TITLE | |||
| EEEE3083 | Power Electronic applications and control | |||
| ASSESSMENT NAME | ASSESSMENT TYPE | WEIGHT | ||
| Coursework 1 | Individual Report | 30.0 | ||
| ASSESSMENT TITLE | METHOD OF SUBMISSION/ DELIVERY | |||
| Average Modelling Design and Switching Model Verification of a Full Bridge Inverter | Moodle | |||
| ASSESSMENT DATE / SUBMISSION DEADLINE | FEEDBACK DUE | |||
| Monday, 17th November 2025 3:00:00pm | Monday, 8th December 2025 | |||
As this assignment is to be marked anonymously, please ensure that your submission does not include any identifying information.
This assessment also assesses the following AHEP4 outcomes:
C1, C2, C3/M3, C6/M6
Document submission must be in docx format.
Simulation files should also be submitted in the form of a .zip and must be separate from the report.
| NO EVIDENCE EC ELIGIBLE? | SPECIFIC RESTRICTIONS ON EC/SUPPORT PLAN EXTENSIONS | ||||
If you have an existing support plan and support plan extensions are applicable to this assessment, and you require an extension, please email ee-dlo@exmail.nottingham.ac.uk. Include the module code, assessment name, original deadline (including time), and the requested extension length (usually one working week).
Please contact David.Dewar1@nottingham.ac.uk either through Teams (Preferred) or Email with any questions. Support sessions are provided Monday 4-5pm each week, open to questions.
Permitted Uses of AI:
✓- You may use AI tools to ask questions for clarification if you are confused about a concept, method or requirement.
✓- You may use AI tools to support your understanding of background material (e.g asking to explain definitions, theories or provide analogies to complex concepts.
✓- You may use AI tools to explore ideas or approaches informally, provided you then write and develop your own work independently.
✓- You may use AI tools to check your own understanding (e.g., asking “does my reasoning make sense?), but must not be used to generate written content for the submission.
✓- To help debug or interpret error messages when using software (MATLAB / PLECS)
Prohibited Uses of AI:
✗- AI tools must not be used to generate text that appear in the submitted assignment (including answers, explanations, or report sections).
✗- AI tools must not be used to create figures, diagrams or graphics for submission.
✗- AI tools must not be used to produce worked solutions to the final answer that are then submitted directly.
✗- Copying, paraphrasing or presenting AI-generated material content as your own is strictly prohibited.
Academic Misconduct:
Any breach of the above rules will be treated as academic misconduct and will be referred to the
University Academic Misconduct Process
The work submitted must be your own work and must adhere to the University’s Academic Misconduct policy.
This coursework introduces you to the design and verification of a full-bridge inverter, a core building block in power electronics. The aim is to give you practical insights into how engineers approach converter design, from first principles to full system verification.
The assignment is split into two parts. In the first part you will develop and test an average model of the inverter to design filters and controllers in a simplified, numerical framework. In the second part you will then move you design into a switching model to verify that your design performs as expected in realistic conditions.
Your role is to act as a design engineer:
Your report should therefore not only present results, but also explain your design methodology, justify key decisions, and reflect on observed behaviours. Where appropriate, you should support your reasoning and observations with references to literature.
The page limit for this report is strictly 25 pages (excl. Title Page / Contents Page / Appendices). Please note material documented in the appendices will not be marked.
By completing this coursework, you will be able to:
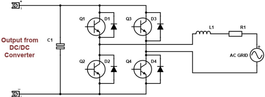
In the first stage, you will design and test an average model of a single-phase H-Bridge inverter (Figure 1). Average modelling ignores the switching dynamics and instead represents the converter in terms of average quantities over a switching period. This simplifies analysis, allowing you to design and verify filters and controllers before moving to more complex switching simulations in Part 2.

Figure 1- H-Bridge Circuit which CW1 and CW2 will focus on designing.
The target design specification can be found in Table 1. Many of the concepts and methods required for this stage are covered in Inverters Lectures 1 3. You can begin the coursework with the knowledge gained from Lecture 1, while Lectures 2 and 3 will provide additional tools to complete the design and verification of the inverter.
Table 1 Design Specification for Converter to be designed.
| Term | Symbol | Value |
|---|---|---|
| DC Voltage | ( V_{DC} ) | 600V |
| DC Voltage Ripple (peak-peak) | ( \Delta V ) | 0.5V |
| AC RMS voltage | ( V_{AC} ) | 240V |
| AC Current ripple (peak-peak) | ( \Delta I ) | 0.2A |
| Rated Power | ( P ) | 3kW |
| Inverter Switching Frequency | ( f_{sw} ) | 20kHz |
| Loss in the inductor at rated power | ( P_{LOSS} ) | 0.25%P |
| Settling Time of Inverter (Time to reach 2% reference) | ( t_s ) | 150ms |
Your report must show clear evidence of the following steps:
For students aiming to push their design, and critical analysis further, consider:
Grading Note:
Achieving theCore Tasks to a high standard is sufficient to reach a mark of 80%. The challenge tasks are designed to extend your analysis and demonstrate deeper understanding. Completing them is not required to pass or achieve a high grade, but they can help push your mark further beyond the 80+% threshold.
After validating your design with the average model, the next step is to implement it in a switching-level PLECS model. This step verifies that your design performs correctly when applied to a realistic inverter with PWM switching.
The switching simulation should demonstrate that your design choices (filter, controllers, DC-Link capacitance) still meet the specification under non-ideal conditions.
Your report must show clear evidence of the following steps:
For students aiming to push their design, and critical analysis further, consider:
Grading Note:
Achieving theCore Tasks to a high standardis sufficient to reach a mark of 80%. Thechallenge tasks are designed to extend your analysis and demonstrate deeper understanding. Completing them is not required to pass or achieve a high grade, but they can help push your mark further beyond the 80+% threshold.
Deadline Approaching? Can't Finish Your EEEE3083 Coursework 1 Report?
Hire Coursework Helper Now!Feeling overwhelmed by the EEEE3083 Power Electronic Applications and Control Assessment Coursework 1 Individual Report? You’re not alone—We are here to help you. Many students find designing and verifying inverters, controllers, and simulation models challenging. While it’s essential to complete your work independently, there are plenty of resources to help you improve your skills. Exploring online coursework writing services for tips, reviewing report writing samples, or learning from report writing services UK guides can give you inspiration on structure, clarity, and technical presentation. These tools are designed to help you organise your ideas, explain your design choices clearly, and communicate results professionally—without doing the work for you.
Hire Assignment Helper Today!
Let's Book Your Work with Our Expert and Get High-Quality Content
jhjj