Looking for Plagiarism-Free Answers for Your US, UK, Singapore, New Zealand, and Ireland College/University Assignments?
Talk to an Expert| Category | Assignment | Subject | Engineering |
|---|---|---|---|
| University | Liverpool John Moores University (LJMU) | Module Title | CO7060 Power Electronics, Drives and systems |
|
Assignment Specification School of Computer and Engineering Sciences |
|||
|
Module Code CO7060 |
Module Title Power Electronics, Drives and systems |
Assessment No 1 of 2 |
Weighting 50% |
|
Title Mathematical Analysis of AC/AC converters |
In-Year Reassessment |
Generative AI Not Allowed /See Below |
|
|
Summary This coursework is to assess the understanding of concepts learned during the past period study of the module contents on the power electronic converters’ topologies, operation principles, system characteristics analysis and related mathematics computations. |
Submission Date 27/11/25 at 13:00 7-day Submission Window Allowed |
Feedback Due On time submissions 15/1/26 |
|
Competencies / Learning Outcomes [Delete as appropriate] Assessed
Students must review the Assessment Checklist which can be found in the Moodle module assessment tile.
Tutor’s contact: y.hu@chester.ac.uk. You may also wish to contact the Academic Skills Team (ASk) for additional support.
Submission Window, Exceptional Circumstances, and Assessment Regulations
You are expected to submit work by the submission date specified at the start of the assignment specification. Some assignments may support a 7-day window in which students can submit work late without penalty and this will be specified below the submission date at the start of this brief. Any work submitted outside of the submission date (or submission window where allowed) will be given a mark of zero.
You can find details about what you need to do if you are unable to submit the assessment on time on the Registry Services Exceptional Circumstances Portal page. Any deferral request must be submitted online within 7-days of the final submission date (or submission window where allowed). In all cases, evidence will be required to support the deferral.
Deadline for applying for a deferral to the next assessment point1: Specify date
You can find out more about University regulations related to assessment on the Registry Services Assessment Regulations page.
Academic Conduct
The University Academic Conduct Policy explains how students are expected to take responsibility for the fair presentation of the contents of any work they present for assessment. This includes acknowledging the use of Artificial Intelligence tools. Breaching the academic conduct policy can have serious penalties.
The material you submit must be your own work. You must not collude with your peers on your work unless the brief explicitly allows this (such as in the case of group work). Further information is available below
All sources used must be cited and referenced using the APA format. Guidance on how to cite and reference sources can be found in the Cite Them Right Online guidance (sign in with your University network account)
The use of generative AI tools will be treated as a breach of the academic conduct policy.
You may not use AI tools for this assessment. AI tools include, but are not limited to, ChatGPT, Gemini, Copilot, Midjourney, and others.
Submission Information
Student work that does not have this information on will not be identifiable after marking has taken place and risks being recorded as a non-submission.

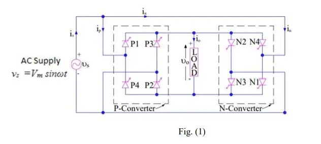
A single-phase to single-phase cycloconverter is shown in Fig. (1) supplying and inductive load comprising of a resistance of 5 and an inductance of 40 mH from a 230 V, 50 Hz single-phase supply. It is required to provide an output frequency which is 1/3 of the input frequency. If the converters are operated in the Circulating Current Free mode (the two bridges are acting alternately only one bridge carries load current at any given time; there is no current circulating between the two bridges, the temporarily idle converter must be blocked), such that 0 < < and firing delay angle p = 120°. Neglecting the harmonic content of the load voltage, the AC/AC converter is an ideal converter.
Determine:
|
Assignment Task (LOs Covered) |
Fail (<50%) |
Pass (50-59%) |
Merit (60-69%) |
Distinction (>=70%) |
|
Assignment Task All required tasks listed in the coursework brief |
|
|
|
|
Are you facing a CO7060 Assignment? Deadlines Are Near?
Hire Assignment Helper Now!Many students are struggling with their CO7060 Power Electronics, Drives and systems assignment. If you need expert guidance, our Electrical Engineering Assignment Help service is here for you. We offer top-quality Assignment Samples that make complex topics simple and clear. Our team provides 100% original, plagiarism-free, and easy-to-understand content. Choose the Best Assignment Help to improve your grades and confidence. Learn smartly with expert support you can rely on.
Hire Assignment Helper Today!
Let's Book Your Work with Our Expert and Get High-Quality Content